
Product Features
√High-precision roll forming
√Cold rolling treatment improves material hardness and surface wear resistance
√Low friction, low noise operation
√High-efficiency processing
√Multiple specifications available
√Widely used
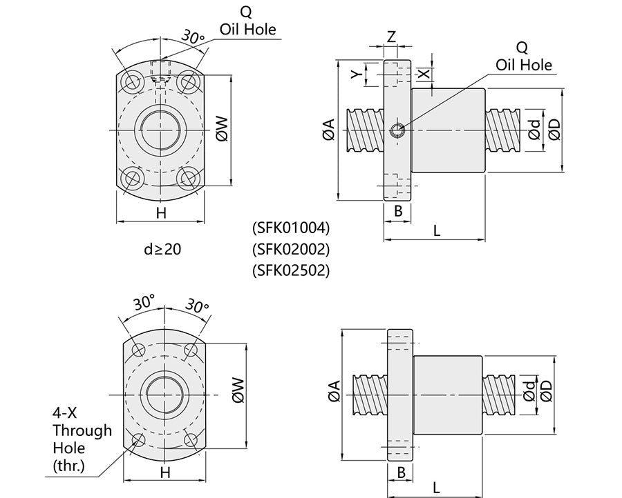
SFU Rolled Screw Structures
Click the download button to get the more details about the ball screw.
Ball Screw Lubrication
The lubricant and grease used in ball screws are lithium soap-based lubricants with a viscosity of 30~140 cst (40℃) and ISO grade 32~100.
Selection Criteria:
1. For high-speed or low-temperature applications, use a lubricant with a low base oil viscosity.
2. For high-temperature, high-load, or turbulent, low-speed applications, use a lubricant with a higher base oil viscosity.
| Lubrication Method | Inspection Interval | Inspection Items | Replenishment or Replacement Interval |
| Automatic intermittent oiling | Every week | Oil level and dirt status | Replenish as needed during each check, but only as required by the oil tank capacity. |
| Lubricating grease | During the first 2-3 months of operation | Check for foreign matter contamination | Usually replenished annually, but supplemented as needed based on inspection results |
| Oil Bath | Before starting work each day | Oil level management | Replenish as needed based on consumption |
SFK Rolled Lead Screw Model
-
The model of SFK rolled lead screw usually consists of multiple parts to indicate its different specifications and characteristics.
Precision of the Rolled Lead Screw
According to ISO 3408-3, the lead accuracy of ground ball screws is defined as follows: the cumulative lead error over any stroke within the effective thread length, as shown in the table on the right.
For applications requiring even higher precision, ground ball screws are recommended.

